Pictures may not be actual SKU

Copper/Nickel Sensors

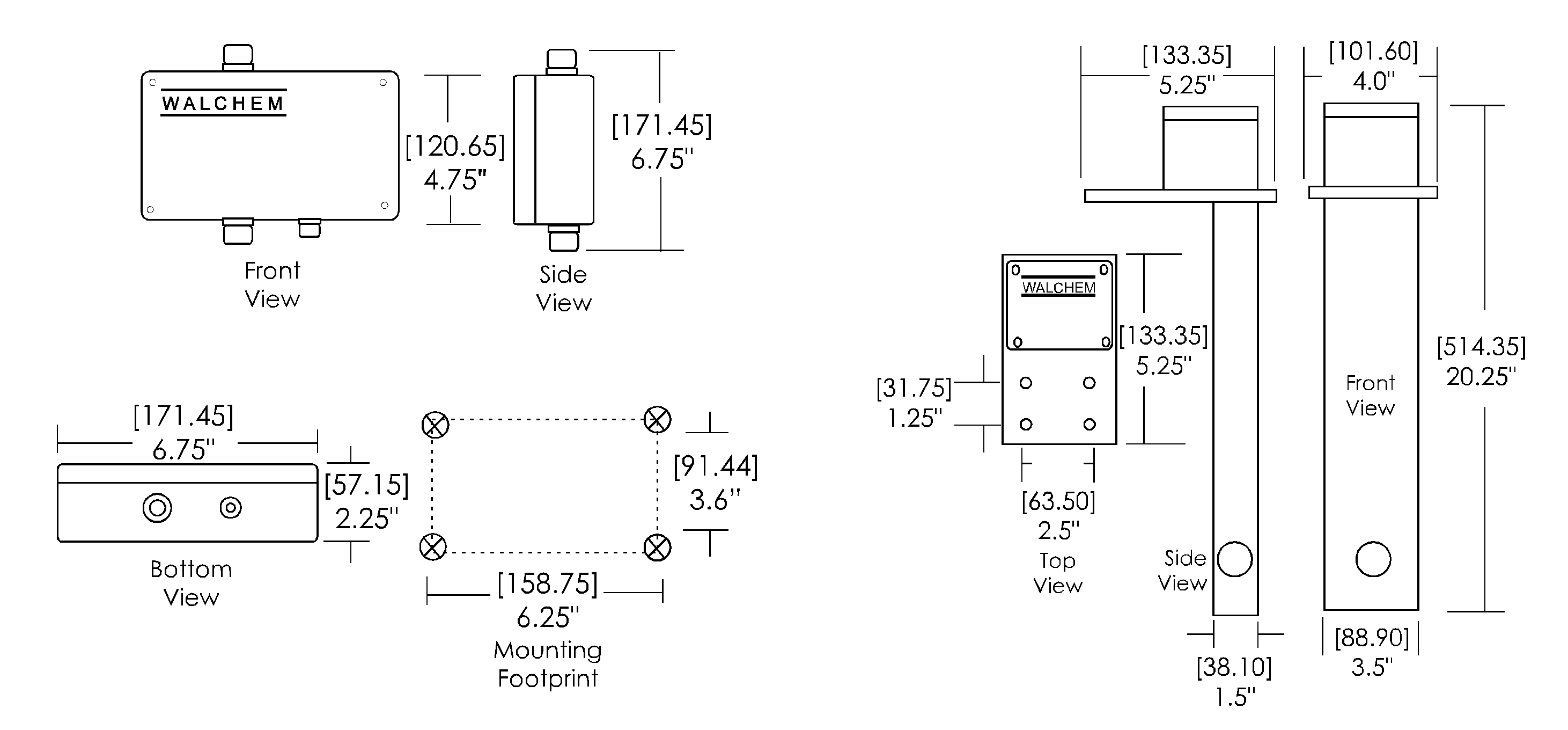
Product info
Description
Walchem's CUNI Controller Sensors & Accessories Copper/Nickel Sensors
Availability Call to confirm
Select model  or  search within  this product range
Models are:  Available to Order
Ships from PA - GA - FL - OH - TX
Typically ships within [ 10 ] days
24/7 Sales & Support 484-544-0506
Headline

Copper and Nickel Sensors

Optoelectronic devices that are used in conjunction with Walchem's on-line analyzers in a variety of applications including electroless copper or nickel baths, microetch baths and a number of other chemistries that contain more than 0.10 grams/liter (g/L) of copper or nickel ions. Flow-through sensors are available for out-of-tank monitoring of solutions, and immersible sensors (copper only) are available for direct in-tank monitoring.

Features & Benefits
Key Features
Monitoring & Control
  • Concentration Read in Units
    • Selectable between grams per liter (g/L) or ounces per gallon (oz/gal)
    • Backlit digital display with bar graph visualization
    • Continuous measurement versus set point monitoring
Operator Controls
  • Adjustable Parameters
    • Concentration set point
    • High and low alarm set points
    • Dead band settings
    • Pump operation timing
    • Interlock capability with external devices
Data Management
  • Integrated Data Collection
    • USB data download capability
    • System performance validation
    • Data and event logging
    • Tracks copper/nickel values
    • Records chemical feed times
    • Monitors relay activation
Control Capabilities
Standard Features (WCU)
  • Four separate control relays and outputs
  • Chemistry addition options:
    • Copper
    • Caustic
    • Formaldehyde
    • Chelator/stabilizer
  • Replenishment totalizer for each output
    • Time-based units
    • Volume-based units
Optional Features (WNI)
  • pH Input Board
    • pH adjustment chemistry control
    • Replenishment totalizer functionality
    • Time/volume unit settings
Call or text: +1 (484) 544-0506

The Supplyline team is here to help!