850SR | Pump Tubes - Progressive Cavity - 3A - Planetary Gear

Product info
Description
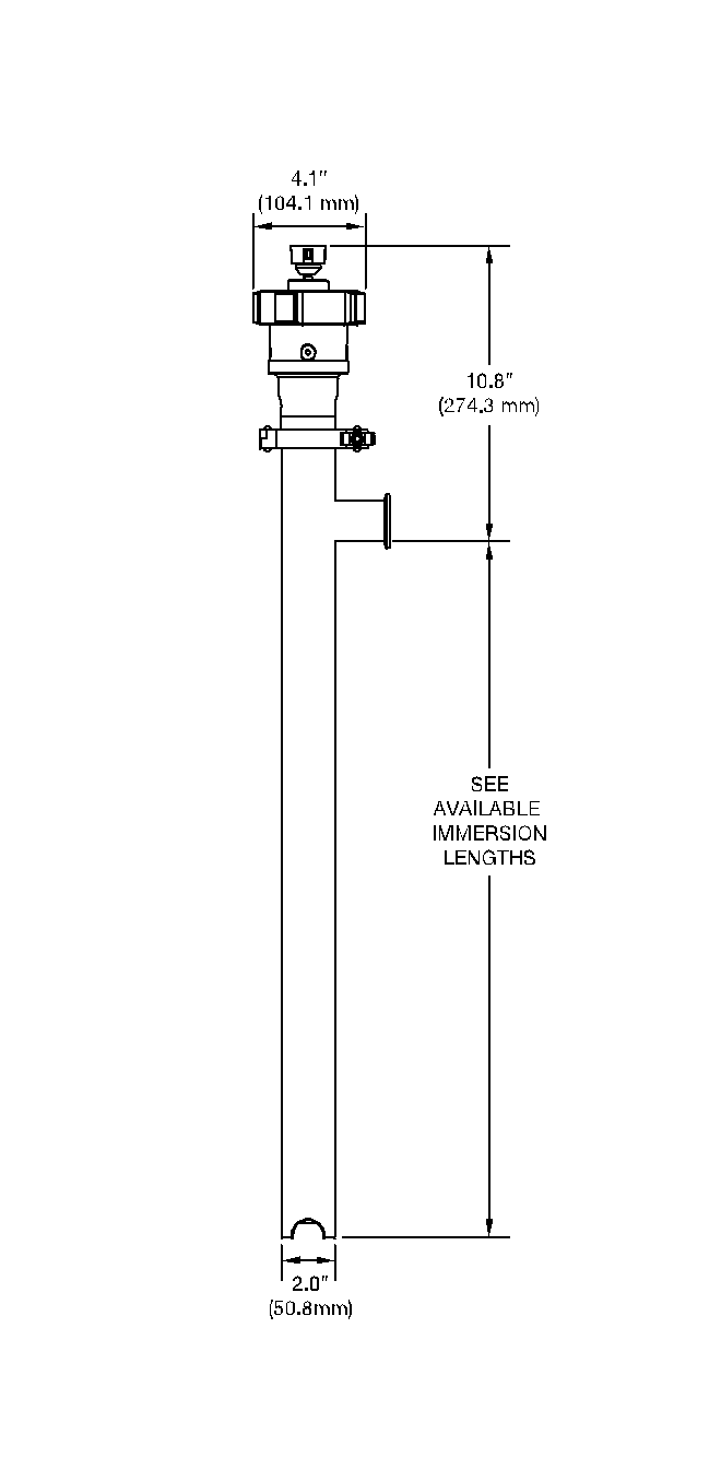
Standard Pumps's 850SR Pump Tubes Progressive Cavity - 3A - Planetary Gear are designed to transfer viscous food products, pharmaceutical ingredients, and cosmetic lotions from drums, IBC’s, and kettles. 3A Certified with a hygienic design for quick knockdown and cleaning.
Availability Call to confirm
Select model  or  search within  this product range
Models are:  Available to Order
Ships from PA - GA - OH - TX - OR
Typically ships within [ 5 ] days
24/7 Sales & Support 484-544-0506
Headline

Progressive Cavity | 3A | Planetary Gear

Engineered to transfer viscous food products, pharmaceutical ingredients and cosmetic lotions from drums, IBC's and kettles. The progressive cavity design delivers a continuous flow with little product degradation. The SP-850 Series pumps are 3A Certified and incorporate a hygienic design for quick knockdown and cleaning.

Dimensional drawings
Call or text: +1 (484) 544-0506

The Supplyline team is here to help!