Pictures may not be actual SKU

WJ Cast Iron In-Line Pulse Turbine Meter

Product info
WJ | WJ Cast Iron In-Line Turbine Meters
Description
Seametrics WJ Cast Iron In-Line Turbine Meters
Configuration Model Codes
Base Model
Model
WJ | Cast Iron Inline Pulse Turbine Meter
Availability Call to confirm
Select model  or  search within  this product range
Models are:  Limited Stock
Ships from PA - GA - OR
Typically ships within [ 1-3 ] days
24/7 Sales & Support 484-544-0506
Headline

WJ-Series

Cast Iron In-line Turbine Meter

WJ-Series turbine meters are dry-register mechanical totalizers that offer accurate, economical reading of high flows with low pressure loss. The horizontal-axis turbine drives a vertical shaft, which is magnetically coupled to the sealed register.

Features & Benefits
Product Overview
  • Dry-register mechanical turbine flow meter
  • Cast iron body construction
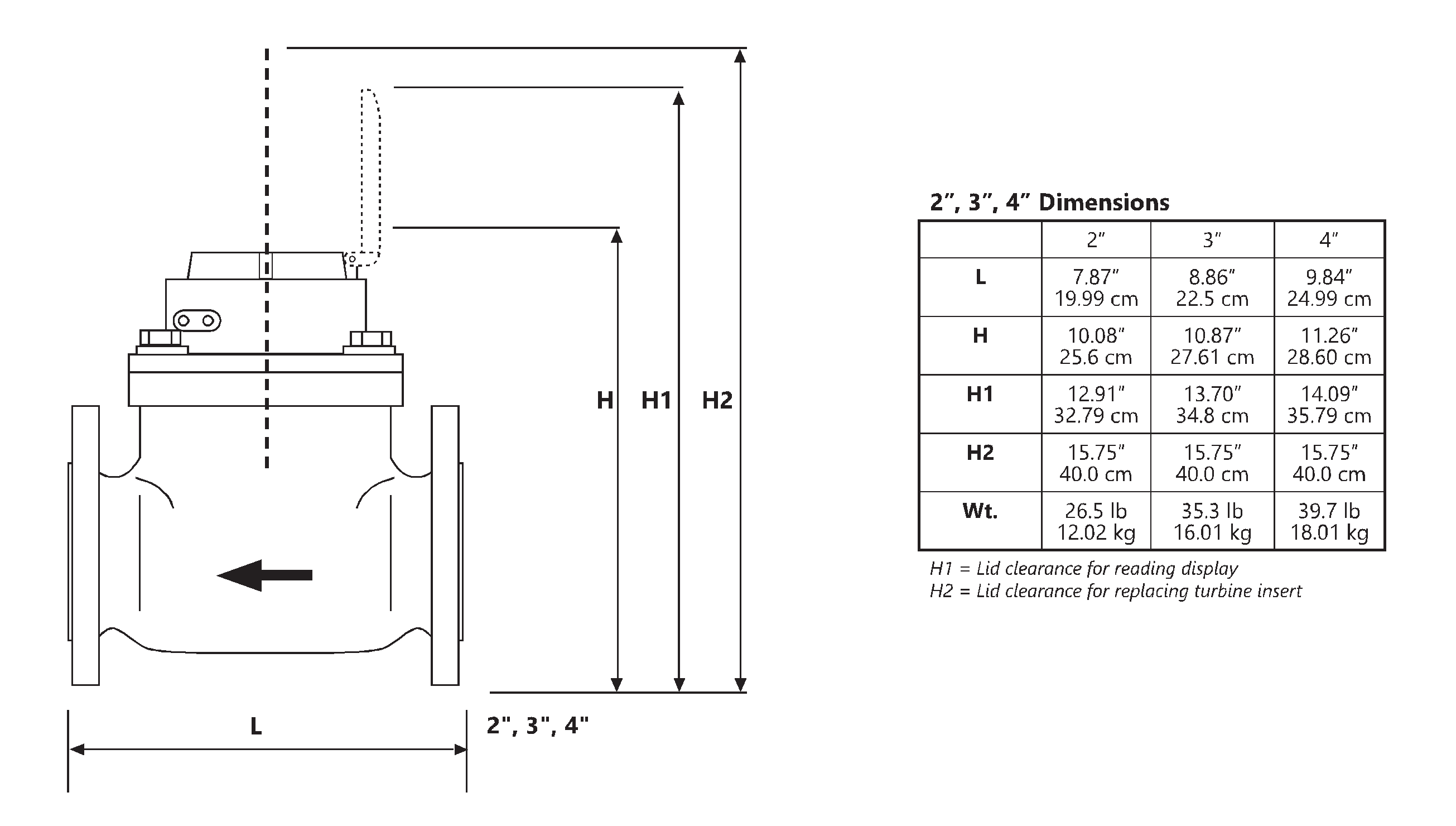
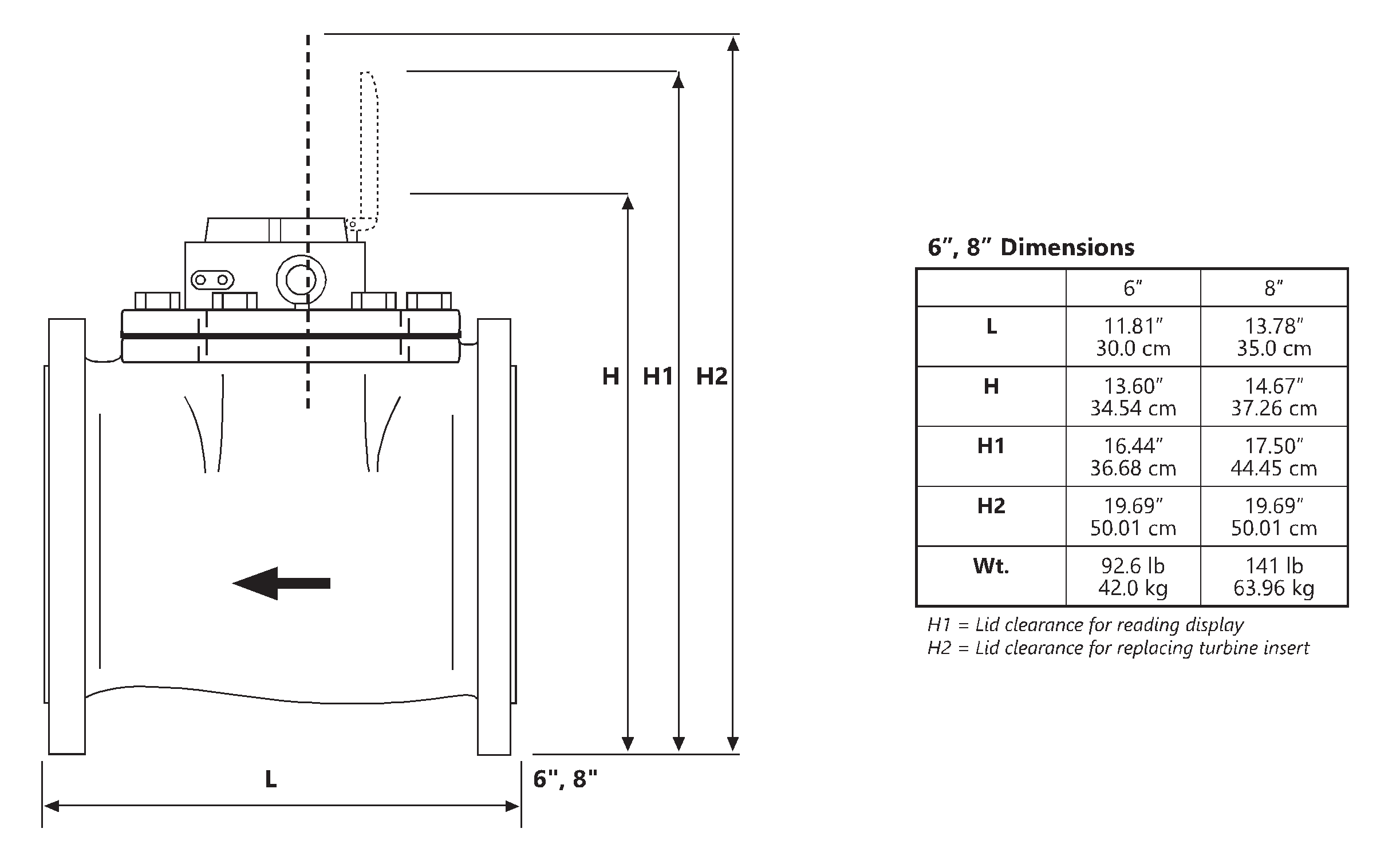
  • Available in sizes 2" to 8"
  • Compact-length design with standard ANSI flanges
Key Features
  • No electrical power required
    • Fully mechanical register operation
    • Self-contained measurement system
  • Versatile applications
    • Water treatment systems
    • Remote totalizing
    • Pacing electronic metering pumps
  • Optional reed switch pulser
    • Factory installation available
    • Field retrofitting possible
    • Cost-effective solution
Call or text: +1 (484) 544-0506

The Supplyline team is here to help!