iMAG 4700r | Flanged In-Line Magmeters - Remote Display

Product info
Description
Seametrics 4700R iMAG4700r Flanged In-Line Magmeter (IP68), Remote Display (Includes one pulse output)
Configuration Model Codes
Base Model
Model
4700r | Remote Model (Remote Display)
Availability Call to confirm
Select model  or  search within  this product range
Models are:  Available to Order
Ships from PA - GA - OR
Typically ships within [ 7 ] days
24/7 Sales & Support 484-544-0506
Headline

iMAG 4700r

Remote Display Flanged In-line Magmeter, Includes One Pulse Output

Features & Benefits
Key Features
  • Easy setup
  • Minimal straight pipe installation
  • Remote mounted rate/total indicator
  • Pulse output standard
Power Options
  • External AC/DC versions available
  • Battery backup included
Optional Capabilities
  • Additional outputs:
    • 4-20mA
    • HART/4-20mA
    • Modbus
  • Datalogger
Applications
  • Water & wastewater treatment
  • Municipalities
  • Pump skids and stations
  • Packaged plants
  • Filtration systems
  • Reclaimed water
  • Hydraulic fracturing
Technical Specifications
  • Protection rating: IP68
  • Safety certification: NSF-61
  • Available models: iMAG-4700, iMAG4700p
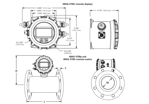
Dimensional drawings
Reference Dimensions
iMAG 4700r / iMAG 4700p L L H H T T ID ID AG3000p AG3000p AG3000r AG3000r
Meter Size inch mm inch mm inch mm inch mm Shipping Weight lbs Shipping Weight Kg Shipping Weight lbs Shipping Weight Kg
3” * 12.25 311 7.95 201.9 0.68 17.25 2.6 66.04 39 17.5 40 18
4” 10.12 257 8.6 218 0.62 15.7 3.12 79 34 15.5 43 19.5
6” 12.09 307 9.4 239 0.69 17.5 5.05 128 50 22.5 59 27
8” 14.14 359 10.4 264 0.69 17.5 6.44 164 71 32 78 35
10” 18.08 459 11.5 292 0.69 17.5 8.61 219 130 59 135 61
12” 19.68 500 12.5 317 0.81 20.6 10.55 268 170 77 175 79
Flanges Standard ANSI 150 lb. drilling Cable 1 lb.
Alternate configurations
SKU Description List price -
SEA-IMAG4700R0200 IMAG4700r-0200 | Flanged Magmeter - Remote Display - 2 Inch - Configurable $4,359.00
SEA-IMAG4700R0200F1PA1X010000006 IMAG-4700r-0200-F1-P-A1-X-01-0000-006 | Flanged Magmeter - Remote Display - 2 Inch - NSF Gasket Kit - AC Power - w/ Data Logger $5,060.00
SEA-IMAG4700R0200F1PA1XXX0000006 IMAG-4700r-0200-F1-P-A1-X-XX-0000-006 | Flanged Magmeter - Remote Display - 2 Inch - NSF Gasket Kit - AC Power - w/o Data Logger $4,935.00
SEA-IMAG4700R0200F1PD1X010000006 IMAG-4700r-0200-F1-P-D1-X-01-0000-006 | Flanged Magmeter - Remote Display - 2 Inch - NSF Gasket Kit - DC Power - w/ Data Logger $4,862.00
SEA-IMAG4700R0200F1PD1XXX0000006 IMAG-4700r-0200-F1-P-D1-X-XX-0000-006 | Flanged Magmeter - Remote Display - 2 Inch - NSF Gasket Kit - DC Power - w/o Data Logger $4,734.00
SEA-IMAG4700R0200F1RA1X010000006 IMAG-4700r-0200-F1-R-A1-X-01-0000-006 | Flanged Magmeter - Remote Display - 2 Inch - Std Gasket Kit - AC Power - w/ Data Logger $5,010.00
SEA-IMAG4700R0200F1RA1XXX0000006 IMAG-4700r-0200-F1-R-A1-X-XX-0000-006 | Flanged Magmeter - Remote Display - 2 Inch - Std Gasket Kit - AC Power - w/o Data Logger $4,884.00
SEA-IMAG4700R0200F1RD1X010000006 IMAG-4700r-0200-F1-R-D1-X-01-0000-006 | Flanged Magmeter - Remote Display - 2 Inch - Std Gasket Kit - DC Power - w/ Data Logger $4,810.00
SEA-IMAG4700R0200F1RD1XXX0000006 IMAG-4700r-0200-F1-R-D1-X-XX-0000-006 | Flanged Magmeter - Remote Display - 2 Inch - Std Gasket Kit - DC Power - w/o Data Logger $4,685.00
SEA-IMAG4700R0300 IMAG4700r-0300 | Flanged Magmeter - Remote Display - 3 Inch - Configurable $4,518.00
SEA-IMAG4700R0300F1PA1X010000006 IMAG-4700r-0300-F1-P-A1-X-01-0000-006 | Flanged Magmeter - Remote Display - 3 Inch - NSF Gasket Kit - AC Power - w/ Data Logger $5,248.00
SEA-IMAG4700R0300F1PA1XXX0000006 IMAG-4700r-0300-F1-P-A1-X-XX-0000-006 | Flanged Magmeter - Remote Display - 3 Inch - NSF Gasket Kit - AC Power - w/o Data Logger $5,122.00
SEA-IMAG4700R0300F1PD1X010000006 IMAG-4700r-0300-F1-P-D1-X-01-0000-006 | Flanged Magmeter - Remote Display - 3 Inch - NSF Gasket Kit - DC Power - w/ Data Logger $5,048.00
SEA-IMAG4700R0300F1PD1XXX0000006 IMAG-4700r-0300-F1-P-D1-X-XX-0000-006 | Flanged Magmeter - Remote Display - 3 Inch - NSF Gasket Kit - DC Power - w/o Data Logger $4,922.00
SEA-IMAG4700R0300F1RA1X010000006 IMAG-4700r-0300-F1-R-A1-X-01-0000-006 | Flanged Magmeter - Remote Display - 3 Inch - Std Gasket Kit - AC Power - w/ Data Logger $5,178.00
Call or text: +1 (484) 544-0506

The Supplyline team is here to help!