Product details
Spot an error? Let us know!
Headline
1500 Series Water Treatment Controllers
-
Model 140 Cooling Tower Controllers

-
Model 150 Boiler Controllers

-
Model 1520/30e pH/ORP Controllers

-
Model 1575e Cooling Tower & Process Controllers

-
Model 1575e Boiler Controllers

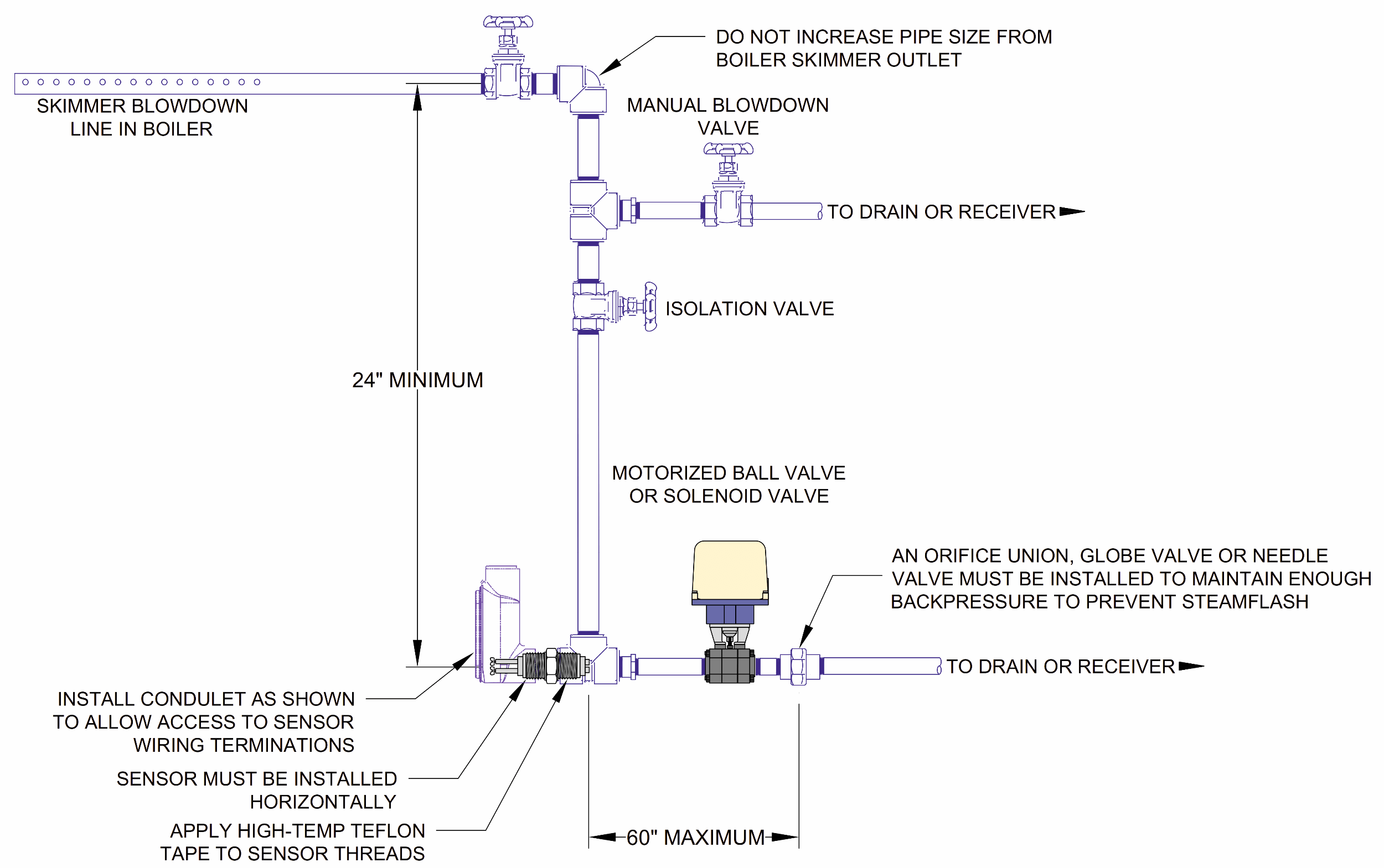
Dimensional drawings
Call or text: +1 (484) 544-0506
The Supplyline team is here to help!