Pictures may not be actual SKU

LKN Series - Motor Driven Metering Pumps - 114 GPH

Product info
LKN | LKN Series - Motor Driven Metering Pumps
Description
Walchem's LKN series of mechanical metering pumps is rated to 114.3 GPH or 225 PSI with configurable liquid end options
Configuration Model Codes
Base Model
Series
LKN | LKN Series - NEMA 42C
Availability Call to confirm
Select model  or  search within  this product range
Models are:  Available to Order
Ships from PA - GA - FL - OH - TX
Typically ships within [ 15 ] days
24/7 Sales & Support 484-544-0506
Headline

LKN-Series

The LK Series metering pump is the largest in the high performance line of pumps from Walchem. The LK is a motor-driven, mechanically actuated diaphragm metering pump with a maximum capacity of 114 GPH (432 l/h) and a maximum pressure of 225 PSI (1.5 MPa).

The heart of the LK is a compact and very reliable dual-cam system drive and worm gear reducer. Roller bearings and oil bath lubrication ensure outstanding durability and wear resistance in continuous operation.

The LK Series is ideal for chemical feed applications in a wide range of fields, including water treatment, chemical process, agriculture, mining and paper

Features & Benefits
Key Benefits
Versatile Liquid Ends
  • Direct drive transfer from gear reduction to diaphragm
  • Economical yet versatile design
  • Available materials:
    • PVC
    • PVDF
    • 316 SS
  • Handles multiple media types:
    • Acids
    • Bases
    • Solvents
    • Polymers
    • Slurries
Precise Control
  • Micrometer dial for accurate stroke setting
  • Springback stroke adjustment mechanism
  • Lockable mechanism
  • Adjustment range: 10% to 100%
Advanced Drive System
  • Dual-cam system with built-in worm gear speed reducer
  • Aluminum bronze worm gear construction
  • Tapered roller bearing design
  • Efficient motor power transmission
  • Compact and rigid mechanism
  • Maximum wear resistance for continuous operation
Motor Specifications
  • Totally enclosed fan-cooled motors
  • Space-saving vertical mount design
  • Available options:
    • Explosion-proof motors
    • DC variable speed motors
    • External control via 4-20 mA input signal
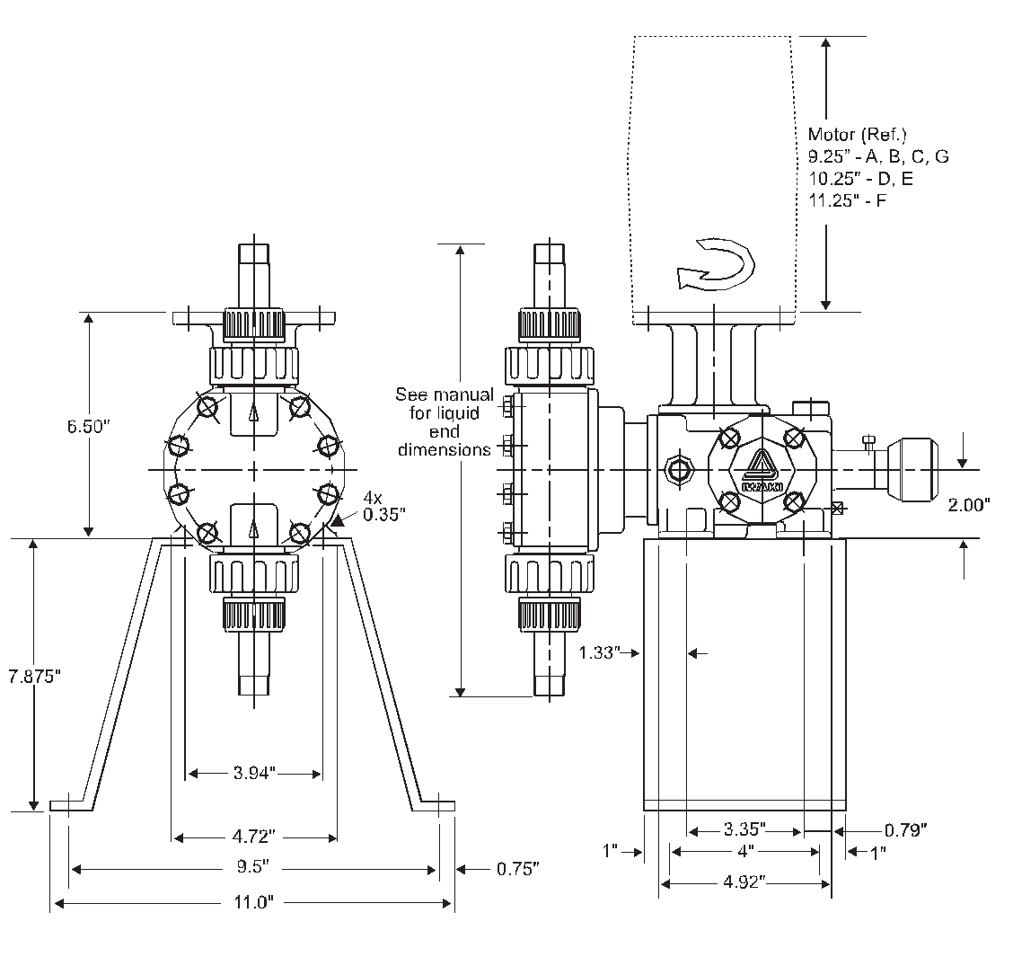
Dimensional drawings
Exploded view
Call or text: +1 (484) 544-0506

The Supplyline team is here to help!