Pictures may not be actual SKU

FCP | Posiflow Sensors for Walchem Pumps

Product info
Description
Walchem's FCP accessory Posiflow Sensors for Iwaki / Walchem metering pumps and related equipment
Configuration
Base Model
Collection
ACC
Availability Call to confirm
Select model  or  search within  this product range
Models are:  Limited Stock
Ships from PA - GA - FL - OH - TX
Typically ships within [ 1-3 ] days
24/7 Sales & Support 484-544-0506
Headline

Posiflow Flow Verification Sensor

Feed verification has never been better! The PosiFlow Sensor will verify that your metering pump is truly moving liquid into the system and has not lost prime.

Features & Benefits
Key Benefits
  • Accurate and non-intrusive flow verification
  • No moving parts in sensor design
    • Eliminates plugging concerns
    • Prevents leaking or jamming
    • Protects flow path and sensing mechanism
  • Real-time signal monitoring
    • Continuous stroke feedback during liquid pumping
    • Direct PosiFlow signal integration with EW-Y Series pumps
Installation & Operation
  • Install PosiFlow on metering pump discharge side
  • Connect to WebMaster digital input option card
  • Automated monitoring features:
    • Contact closure feedback on each pump pulse
    • Fluid movement detection
    • Alarm triggers for flow interruption
    • Programmable volume-per-stroke totalization
    • Chemical feed volume tracking
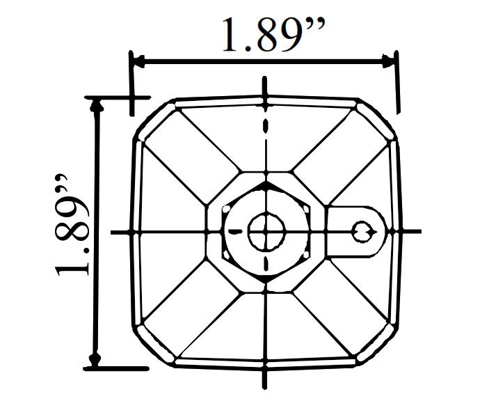
Dimensional drawings
Alternate configurations
SKU Description List price -
IWA-FCP1PC FCP-1PC | SENSOR - POSIFLOW - PC $400.00
IWA-FCP1PE FCP-1PE | SENSOR - POSIFLOW - PE $400.00
IWA-FCP1VC FCP-1VC | SENSOR - POSIFLOW - VC $400.00
IWA-FCP1VE FCP-1VE | SENSOR - POSIFLOW - VE $400.00
Call or text: +1 (484) 544-0506

The Supplyline team is here to help!